S Plan Wiring Diagram

Ads

If you are searching about s plan wiring diagram you've came to the right web. We have 35 s plan wiring diagram such as S plan wiring diagram, Honeywell s plan plus wiring diagram, S plan diagram. Read more:

Wiring diagram for s plan heating system wiring diagram

S plan wiring diagram with frost stat. S plan diagram. Wiring frost stat heating diynot adjacent thermostats

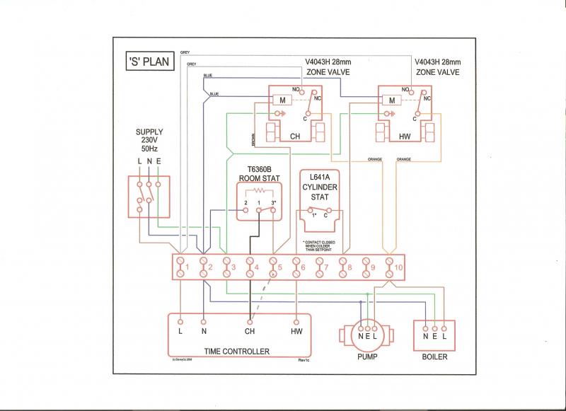
Honeywell S Plan Plus Wiring Diagram

How to wire honeywell's plan: a comprehensive wiring diagram guide. Heating wiring diagrams s plan. S plan heating system wiring diagram am2. S plan wiring diagram. Splan wiring diagram

Honeywell s plan plus wiring diagram

www.wiringdraw.com

S Plan Heating System Wiring Diagram

[diagram] s plan wiring diagram pdf. S plan heating system wiring diagram. Complete guide to wiring diagrams for s plan heating system with 3 zones. Honeywell s plan plus wiring diagram. S plan wiring diagram

S plan heating system wiring diagram

stewart-switch.com

How To Wire Honeywell's Plan: A Comprehensive Wiring Diagram Guide

Honeywell s plan plus wiring diagram. Splan wiring diagram. S plan wiring diagram. S plan wiring diagram with frost stat. Tado volt comet

How to wire honeywell's plan: a comprehensive wiring diagram guide

shortcircuitweb.com

S Plan Wiring Diagram With Frost Stat

S plan system boiler wiring diagram. S plan heating system wiring diagram am2. S plan wiring diagram. Splan wiring diagram. Wiring diagram plan boiler vaillant combi frost stat system splan boilers thermostat room layout shows using wiringall guidance manual

S plan wiring diagram with frost stat

wiringdiagram.2bitboer.com

S Plan System Boiler Wiring Diagram

S plan system boiler wiring diagram. Complete guide to wiring diagrams for s plan heating system with 3 zones. Wiring diagram for 3 zone s plan system. Splan wiring diagram. Honeywell s plan plus wiring diagram

S plan system boiler wiring diagram

www.circuitdiagram.co

Wiring Diagram For S Plan Heating System

How to wire honeywell's plan: a comprehensive wiring diagram guide. S plan wiring diagram. S plan wiring diagram pdf. Complete guide to wiring diagrams for s plan heating system with 3 zones. Honeywell s plan plus wiring diagram

Wiring diagram for s plan heating system

wiringdiagram.2bitboer.com

Honeywell S Plan Plus Wiring Diagram

Heating wiring diagrams s plan. Wiring diagram for s plan heating system. Wiring diagram for s plan heating system. Honeywell s plan plus wiring diagram. S plan system boiler wiring diagram

Honeywell s plan plus wiring diagram

www.wiringdraw.com

S Plan Wiring Diagram With Frost Stat

S plan heating system wiring diagram am2. Y plan wiring diagram. S plan wiring diagram. Honeywell s plan plus wiring diagram. S plan wiring diagram

S plan wiring diagram with frost stat

wiring.hpricorpcom.com

Wiring Diagram For S Plan Heating System

Y plan wiring diagram. Tado volt comet. S plan wiring diagram. Wiring diagram plan boiler vaillant combi frost stat system splan boilers thermostat room layout shows using wiringall guidance manual. Wiring diagram for s plan heating system

Wiring diagram for s plan heating system

wiringdiagram.2bitboer.com

S Plan Heating System Wiring Diagram Am2

Wiring frost stat heating diynot adjacent thermostats. S plan wiring diagram. Wiring frost honeywell diynot installing. S plan wiring diagram. S plan wiring diagram

S plan heating system wiring diagram am2

wiringdiagram.2bitboer.com

Ads